NC-184017(Neodymium magnet)
NC-184017(ネオジ)
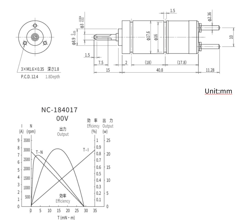
- モータ仕様
モータ仕様
| 項目 | 単位 | 型番 | |
|---|---|---|---|
| NC-184017 | |||
| 定格電圧 | V | 12 | |
| 定格出力 | W | 6.8 | |
| 定格トルク | mNm | 2.46 | |
| 定格回転数 | rpm | 26.500 | |
| 定格電流 | mA | 630 | |
| 無負荷回転数 | rpm | 28900 | |
| 無負荷電流 | mA | 110 | |
| 起動トルク | mNm | 29.41 | |
| 起動電流 | A | 7.5 | |
| 慣性モーメント | g-cm2 | 2.6 | |
| 電機子抵抗 | Ω | 1.6 | |
| インダクタンス | mH | 0.032 | |
| 機械的時定数 | m-sec | 27 | |
| トルク定数 | mNm/A | 3.91 | |
| 熱抵抗( ケース-周囲) | ℃/W | 9.2 | |
| 巻線絶縁クラス | – | F | |
| 電機子巻線温度上昇限度 | ℃ | 155 | |
| 動作周囲温度 | ℃ | -10 ~ +50 | |
| 整流子セグメント数 | – | 7 | |
| ベアリング | – | ボールベアリング | |
| ブラシ材料 | – | 銀カーボン | |
| 重量 | g | 47 | |
| 寸法L | mm | 40.8 | |
| 寸法(深さ) | mm | ||
| 3DCAD | STEP. | ||


